LOADCELL UDA KELI 600KG
Sở hữu giá thành rẻ với những tính năng nổi bật, lắp đặt tương thích trong các loại cân bàn điện tử, loadcell UDA Keli 600kg hiện là dòng cảm biến lực được sử dụng phổ biến nhất thị trường hiện nay. Sản phẩm được Tân Phát nhập khẩu chính ngạch và phân phối chính hãng với đầy đủ CO, CQ.

Tân Phát cung cấp loadcell UDA 600kg chính hãng Keli ra thị trường Việt Nam
✅ Thông số kỹ thuật loadcell UDA Keli 600kg
|
Model |
UDA |
|
Thương hiệu |
Keli |
|
Xuất xứ |
Trung Quốc |
|
Nhà cung cấp |
Tân Phát |
|
Bảo hành |
12 tháng |
|
Công suất định mức |
600kg |
|
Cấp chính xác |
OIML C3 |
|
Điện trở đầu vào |
404±15Ω |
|
Điện trở đầu ra |
350±3Ω |
|
Điện trở khuyến nghị |
> 2000MΩ |
|
Nhiệt độ hoạt động |
-20℃ ~ +50℃ |
|
Điện áp khuyến khích |
10V |
|
Chất liệu |
Nhôm |
|
Chiều dài dây tín hiệu |
1.8m |
|
Kết cấu dây tín hiệu |
5 lõi |
|
Quá tải an toàn |
150% |
|
Ứng dụng |
Cân bàn điện tử kích thước 50x60cm, 60x80cm, cân băng định lượng, cân bồn…. |
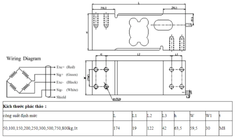
✅ Bản vẽ cấu tạo chi tiết loadcell UDA Keli 600kg

Bản vẽ kỹ thuật chi tiết loadcell UDA 300kg được sản xuất bởi thương hiệu Keli
✅ Hình ảnh thực tế loadcell UDA 600kg

Loadcell UDA 600kg của Keli là loại cảm biến lực dạng thanh, vỏ từ hợp kim nhôm cao cấp, thường được sử dụng cho các loại cân băng định lượng, cân bàn điện tử, cân bồn,…

Sản phẩm chính hãng, đầy đủ CO, CQ và bảo hành trực tiếp tại Tân Phát tới 12 tháng.

Loadcell UDA có dây tín hiệu dài ~1-2m, 5 lõi giúp người dùng có thể đấu nối dễ dàng với hệ thống cân.

Loại loadcell này có giá thành rẻ, nguyên lý hoạt động nén – giãn đơn giản.
*Xem thêm về giá và cách lắp đặt loadcell UDA Keli tại đây >>> thietbidien88.com/loadcell-uda
*Xem thêm các loại loadcell UDA tại đây:
- Loadcell UDA Keli 100kg: thietbidien88.com/loadcell-uda-150kg
- Loadcell UDA Keli 150kg: thietbidien88.com/loadcell-uda-150kg
- Loadcell UDA Keli 300kg: https://thietbidien88.com/loadcell-uda-300kg
Tân Phát nhập khẩu chính hãng các dòng cảm biến lực từ thương hiệu Keli, CAS, Zemic, Mettler Toledo, Amcells,…và cung cấp ra thị trường Việt Nam với giá thành hợp lý, đầy đủ CO, CQ và chế độ bảo hành lâu dài. Bên cạnh cảm biến lực (loadcell), Tân Phát cũng phân phối đa dạng các thiết bị cân điện tử khác, trực tiếp sản xuất, cung cấp các loại cân ô tô, cân điện tử, cầu dẫn xe nâng, sàn nâng thủy lực,…
*Xem thêm các loại loadcell khác do Tân Phát cung cấp chính hãng tại đây >>> thietbidien88.com/loadcell-cam-bien-trong-luong
Để nhận tư vấn và báo giá chi tiết, quý khách hàng vui lòng liên hệ:
CÔNG TY CỔ PHẦN CÔNG NGHỆ TỰ ĐỘNG TÂN PHÁT
- Địa chỉ: VT32, LK4, KĐT Đại Thanh, Tả Thanh Oai, Thanh Trì, Hà Nội
- Hotline: 0963 966 866
- Email: tudonghoa88@gmail.com