LOADCELL YBSC KELI (2 TẤN, 5 TẤN)
Là loại loadcell kiểu đĩa nén, kéo, loadcell YBSC Keli được sử dụng lắp đặt chủ yếu trong các loại cân phễu tĩnh, cân xilo,...Với cấu hình thấp, chất liệu từ thép không gỉ, mối hàn kín có tính bảo vệ cao, loadcell YBSC trở thành dòng cảm biến lực được ưa chuộng sử dụng bậc nhất hiện nay.
Loadcell YBSC được Tân Phát nhập khẩu trực tiếp, chính hãng tại nhà máy sản xuất của công ty Keli, thương hiệu uy tín đến từ Trung Quốc, được khách hàng và giới chuyên môn đánh giá cao về chất lượng sản phẩm.
Chính vì vậy, các loại loadcell (cảm biến lực) của hãng Keli nói chung và YBSC nói riêng luôn được khách hàng tin tưởng sử dụng tại các nhà máy, xí nghiệp,…

Loadcell YBSC loại cảm biến lực dạng đĩa nén, kéo được Tân Phát nhập khẩu trực tiếp từ thương hiệu Keli, Trung Quốc
✅ Thông số kỹ thuật loadcell YBSC Keli
|
Model |
YBSC |
|
Hãng sản xuất |
Keli |
|
Xuất xứ |
Trung Quốc |
|
Nơi cung cấp |
Tân Phát |
|
Tải trọng |
2 tấn, 5 tấn |
|
Độ phân giải |
2.0±0.05(0.05~1t) mV/V 2.0±0.02(2~50t) mV/V |
|
Điện trở đầu vào |
400±20Ω/750±10Ω |
|
Điện trở đầu ra |
352±3Ω/702±3Ω |
|
Sai số |
±0.5(0.05~1t) %FS ±0.3(2~50t) %FS |
|
Điện trở cách điện |
≥5000MΩ |
|
Dải nhiệt độ hoạt động |
-30 đến +70 ℃ |
|
Độ dài dây dẫn |
5m (0.05~1t) 6m (2~5t) 12m (10~50t) |
|
Cấp bảo vệ |
IP68 |
|
Quá tải an toàn |
150 %FS |
|
Quá tải phá hủy |
180 %FS |
|
Trạng thái không tải |
±1%FS |
|
Chất liệu cấu tạo |
Alloy Steel (thép không gỉ) |
|
Ứng dụng |
Cân bồn, cân đóng bao, cân sàn điện tử, cân phễu, cân xilo, cân bàn điện tử có độ rung và dao động |
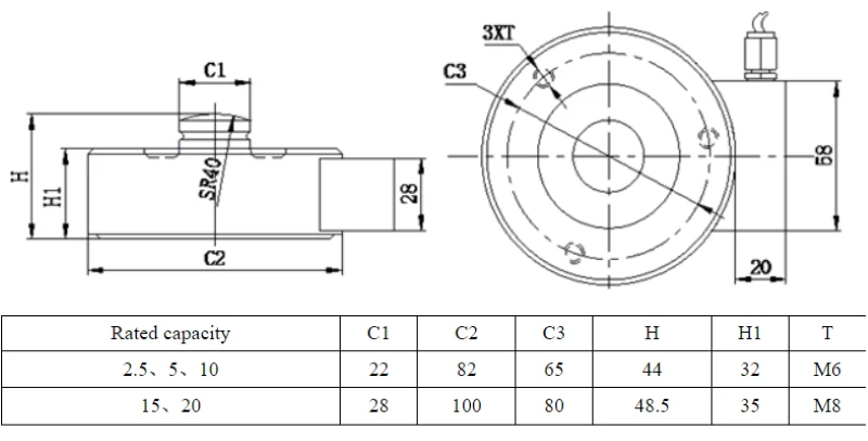
✅ Bản vẽ cấu tạo chi tiết loadcell YBSC Keli

Bản vẽ cấu tạo chi tiết loadcell YBSC Keli
✅ Tính năng nổi bật

Cảm biến lực YBSC có thiết kế kiểu đĩa kéo, nén, có chỏm cầu triệt tiêu các dao động ngang, giúp cân có độ ổn định, giảm sai số và có độ bền cao.

YBSC được làm từ chất liệu thép không gì, có khả năng chịu tác động lớn từ bên ngoài, thích hợp sử dụng trong môi trường công nghiệp.

Loại loadcell này hoạt động dựa trên nguyên lý nén, đẩy phần lực của vật khi đặt lên bàn cân, thiết bị này nén đi 1 lực đúng bằng khối lượng của vật. Lúc này, điện trở trong thay đổi và truyền tín hiệu lực lên trực tiếp đầu cân hoặc bộ cộng tín hiệu với những dòng cân lớn sử dụng nhiều loadcell.

Loadcell YBSC được Tân Phát nhập khẩu trực tiếp, chính hãng từ thương hiệu Keli và cung cấp ra thị trường trong nước. Chất lượng sản phẩm được đảm bảo với đầy đủ giấy tờ chứng minh nguồn gốc, CO, CQ đi kèm.
✅ Cách lắp đặt loadcell YBSC

|
ĐỎ |
XANH |
ĐEN |
TRẮNG |
|
|
Exc+ |
Sig+ |
Exc- |
Sig- |
Shield |
✅ Loadcell YBSC Keli giá bao nhiêu?
Loadcell YBSC là loại cảm biến lực được đặt mua và tìm kiếm nhiều nhất trên thị trường hiện nay. Sản phẩm có giá thành hợp lý, phù hợp với khả năng tiêu dùng trong nước, đồng thời, đảm bảo chất lượng và đáp ứng nhu cầu của khách hàng.
Giá loadcell YBSC khác nhau tùy thuộc vào loại tải trọng của loadcell. Tại Tân Phát, chúng tôi cung cấp YBSC với giá tốt do nhập khẩu và cung cấp trực tiếp ra thị trường, không qua đơn vị trung gian. Để nhận báo giá chi tiết, quý khách hàng vui lòng liên hệ hotline: 0963 966 866.
Khi mua sản phẩm của Tân Phát, quý khách hàng hoàn toàn có thể yên tâm về chất lượng sản phẩm nhờ có đầy đủ giấy tờ chứng minh nguồn gốc, CO, CQ đi kèm, đồng thời đầy đủ các chế độ bảo hành, bảo dưỡng sản phẩm lâu dài.
*Xem thêm các loại loadcell khác do Tân Phát cung cấp tại đây >>> https://thietbidien88.com/loadcell-cam-bien-trong-luong
Thông tin liên hệ:
CÔNG TY CỔ PHẦN CÔNG NGHỆ TỰ ĐỘNG TÂN PHÁT
- Địa chỉ: VT32, LK4, KĐT Đại Thanh, Tả Thanh Oai, Thanh Trì, Hà Nội
- Hotline: 0963 966 866
- Email: tpautotech01@gmail.com